xxxxx
xxxxx 您当前的位置: 首页 -> 产品和服务 -> 固封极柱系列 -> 12kV系列固封极柱 -> 正文
xxxxx
扫一扫
分享参数图至手机

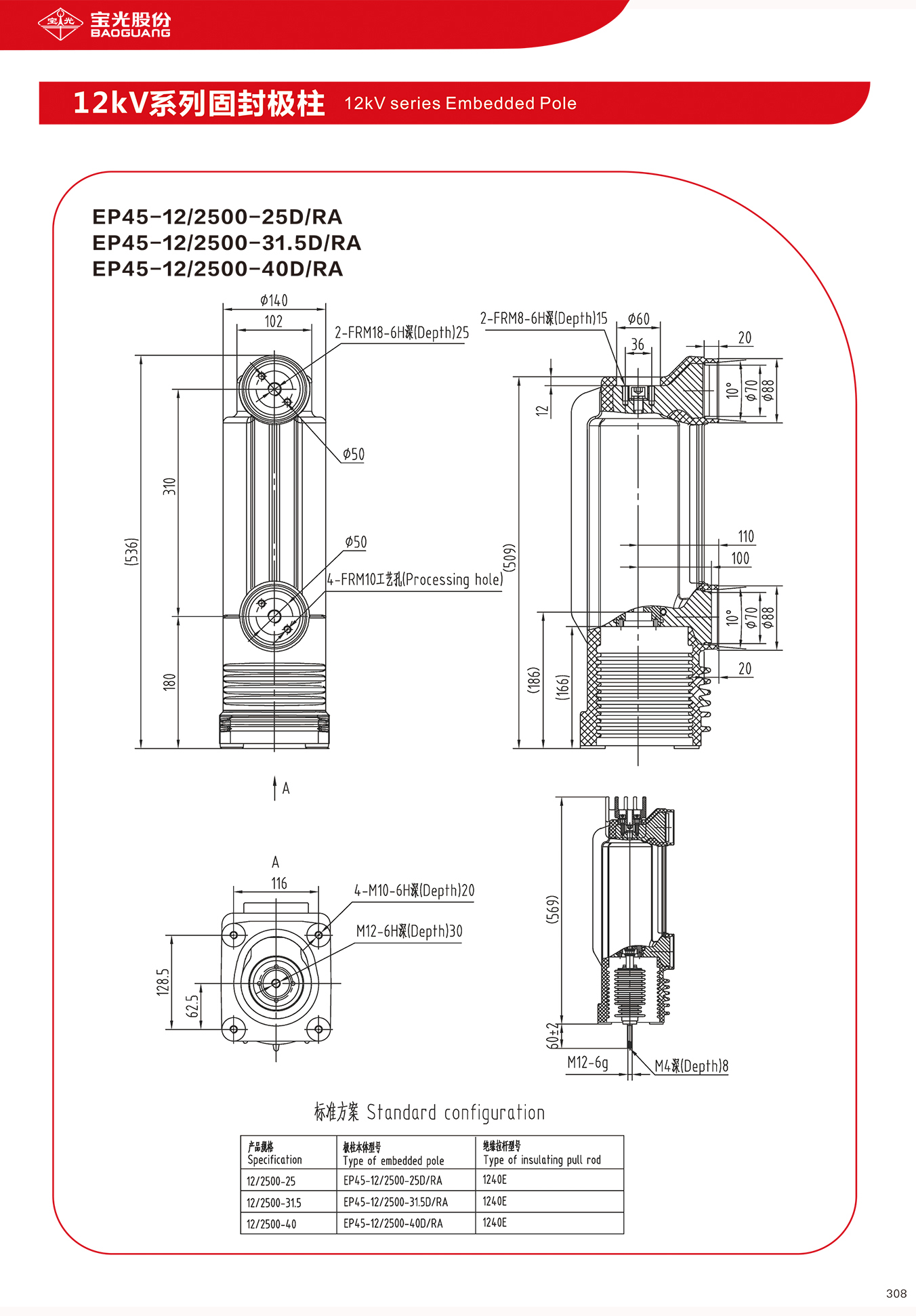
EP45-12/2500-25D/RA (2500-31.5D/RA 2500-40D/RA)

在线咨询 在线留言

308-2-1.jpg308-2-2.jpg



xxxxx
外部邮箱 内部邮箱
@zhongchengshangmao.com
@baoguang.net